| 材料 |
介质温度℃ |
材料 |
介质温度℃ |
| 氯化聚氯乙烯(PVC-C) |
-20℃~+95℃ |
聚氯乙烯(PVC-U) |
-5℃~+45℃ |
| 增强聚丙烯(FRPP) |
-20℃~+120℃ |
均聚聚丙烯(PPH) |
-20℃~+110℃ |
| 聚偏二氟乙烯(PVDF) |
40℃~+150℃ |
|
|
1.抗化学性优越:使用温度范围广﹣20℃—95℃,介质中重离子含量达超纯水标准;卫生性能符合国家卫生标准要求;
2.具有优良的强度、韧性以及耐化学腐蚀性能;
3.耐用:优异的耐老化和抗紫外线性能,使正常使用寿命比其他管道系统均有很大的延长;
4.低热传导性能:约为钢材的1/200;阻燃性能为自熄性;
5.轻便:重量轻,相当于钢管1/5,铜管的1/6;
6.阻力小,流率高:管壁平洁光滑,输送流体时具有较小的摩擦阻力和附着力;
7.安装简易,成本低廉:可采用粘接、螺纹等方式连接,而简便的是胶水连接。

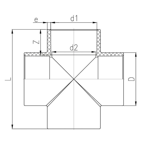
| 公称直径DN(mm) |
外形尺寸(mm) |
| D |
d1 |
d2 |
L |
Z |
e |
| 25 |
40 |
32 |
26 |
80 |
22 |
4 |
| 32 |
50 |
40 |
33 |
98 |
26 |
5 |
| 40 |
61 |
50 |
47 |
120 |
31 |
5.5 |
| 50 |
75 |
63 |
59 |
148 |
37.5 |
6 |
| 65 |
88 |
75 |
71 |
169 |
44 |
6.5 |
| 80 |
104 |
90 |
86 |
198 |
51 |
7 |
| 100 |
127 |
110 |
105 |
238 |
61 |
8.5 |
| 125 |
161 |
140 |
135 |
298 |
76 |
10.5 |
| 150 |
184 |
160 |
154 |
338 |
86 |
12 |
| 200 |
249 |
225 |
219 |
480 |
118.5 |
12 |