| 材料 |
介质温度℃ |
材料 |
介质温度℃ |
| 氯化聚氯乙烯(PVC-C) |
-20℃~+95℃ |
聚氯乙烯(PVC-U) |
-5℃~+45℃ |
| 增强聚丙烯(FRPP) |
-20℃~+120℃ |
均聚聚丙烯(PPH) |
-20℃~+110℃ |
| 聚偏二氟乙烯(PVDF) |
40℃~+150℃ |
|
|
1. 密封件膜片采用 F46 或 PFA 制造,耐折次数≥ 120000 次,耐腐蚀性能与 F4 相当。
2. 采用螺杆升降结构,启闭力矩小,平稳性好。
3.可通过电脑、控制中心远程操控执行器,通过阀门的启闭来控制介质的流通及流量,更加方便、快捷,减少人工损耗,保障现场作业人员的安全。

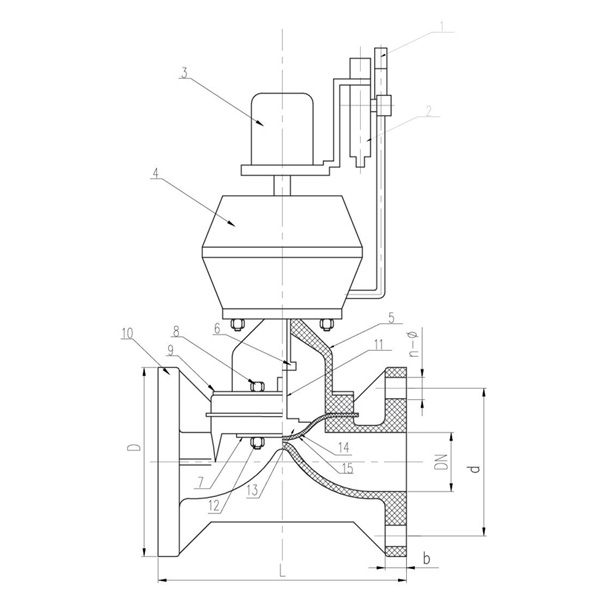
| 序号 |
名称 |
材质 |
数量 |
| 1 |
电磁阀 |
|
1 |
| 2 |
压力表 |
|
1 |
| 3 |
信号反馈器 |
|
1 |
| 4 |
气动执行器 |
铝合金 |
1 |
| 5 |
阀盖 |
PPH、PVC-C、PVC-U、PVDF、FRPP |
1 |
| 6 |
阀杆螺母 |
不锈钢、钢 |
1 |
| 7 |
下压板 |
Q345、不锈钢 |
2 |
| 8 |
螺丝 |
钢、不锈钢 |
4 |
| 9 |
上压板 |
Q345、不锈钢 |
2 |
| 10 |
阀体 |
PPH、PVC-C、PVC-U、PVDF、FRPP |
1 |
| 11 |
阀杆 |
钢、不锈钢 |
1 |
| 12 |
螺帽 |
钢、不锈钢 |
4 |
| 13 |
阀板 |
PPH,PVC-C,PVC-U FRPP,PVDF/Cast iron |
1 |
| 14 |
橡胶垫 |
EPDM,FPM |
1 |
| 15 |
膜片 |
F46.PFA.PTFE |
1 |
| 规格 |
D |
d |
L |
b |
n-Φ |
| 15 |
95 |
65 |
125 |
14 |
4-Φ14 |
| 20 |
105 |
75 |
135 |
18 |
4-Φ14 |
| 25 |
115 |
85 |
145 |
18 |
4-Φ14 |
| 32 |
135 |
100 |
160 |
18 |
4-Φ18 |
| 40 |
145 |
110 |
180 |
20 |
4-Φ18 |
| 50 |
160 |
125 |
210 |
22 |
4-Φ18 |
| 65 |
180 |
145 |
250 |
24 |
4-Φ18 |
| 80 |
195 |
160 |
300 |
24 |
8-Φ18 |
| 100 |
225 |
180 |
350 |
28 |
8-Φ18 |
| 125 |
245 |
210 |
400 |
30 |
8-Φ18 |
| 150 |
280 |
240 |
455 |
30 |
8-Φ23x27 |
| 200 |
335 |
295 |
570 |
40 |
8-Φ22 |
| 250 |
390 |
350 |
680 |
38 |
12-Φ23 |
| 300 |
445 |
400 |
680 |
38 |
12-Φ23 |