| 材料 |
介质温度℃ |
材料 |
介质温度℃ |
| 氯化聚氯乙烯(PVC-C) |
-20℃~+95℃ |
聚氯乙烯(PVC-U) |
-5℃~+45℃ |
| 增强聚丙烯(FRPP) |
-20℃~+120℃ |
均聚聚丙烯(PPH) |
-20℃~+110℃ |
| 聚偏二氟乙烯(PVDF) |
40℃~+150℃ |
|
|
1.抗化学性优越:使用温度范围广﹣20℃—95℃,介质中重离子含量达超纯水标准;卫生性能符合国家卫生标准要求;
2.具有优良的强度、韧性以及耐化学腐蚀性能;
3.耐用:优异的耐老化和抗紫外线性能,使正常使用寿命比其他管道系统均有很大的延长;
4.低热传导性能:约为钢材的1/200;阻燃性能为自熄性;
5.轻便:重量轻,相当于钢管1/5,铜管的1/6;
6.阻力小,流率高:管壁平洁光滑,输送流体时具有较小的摩擦阻力和附着力;
7.安装简易,成本低廉:可采用粘接、螺纹等方式连接,而简便的是胶水连接。

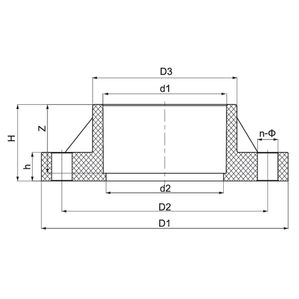
| 规格 |
D1 (mm) |
D2 (mm) |
D3 (mm) |
d1 (mm) |
d2 (mm) |
H (mm) |
h (mm) |
Z (mm) |
n-Φ (mm) |
| 1/2″(15) |
89 |
60 |
31.5 |
21.34 |
18 |
27 |
16 |
22.5 |
4-Φ16 |
| 3/4″(20) |
95 |
70 |
37 |
26.67 |
23 |
30.5 |
18 |
25.5 |
4-Φ16 |
| 1″(25) |
108 |
79 |
45 |
33.4 |
29 |
34.5 |
18 |
29 |
4-Φ16 |
| 1¼″(32) |
117 |
89 |
54.5 |
42.16 |
38 |
37.5 |
18 |
32 |
4-Φ16 |
| 1½″(40) |
127 |
98 |
61 |
48.26 |
44 |
40.5 |
20 |
35 |
4-Φ16 |
| 2″(50) |
152 |
121 |
74 |
60.32 |
55 |
44.5 |
20 |
38.5 |
4-Φ19 |
| 2½″(65) |
178 |
140 |
90 |
73.02 |
68 |
51 |
20 |
45 |
4-Φ19 |
| 3″(80) |
191 |
152 |
107 |
88.9 |
83 |
54.5 |
21 |
48 |
4-Φ19 |
| 4″(100) |
229 |
191 |
134 |
114.3 |
109 |
64 |
24 |
57.5 |
8-Φ19 |
| 5″(125) |
254 |
216 |
163 |
141.3 |
134 |
73.5 |
25 |
67 |
8-Φ22 |
| 6″(150) |
279 |
241 |
192 |
168.28 |
160 |
83.5 |
25 |
76.5 |
8-Φ22 |
| 8″(200) |
343 |
299 |
247 |
219.08 |
210 |
109 |
29 |
102 |
8-Φ22 |