| 材料 |
介质温度℃ |
材料 |
介质温度℃ |
| 氯化聚氯乙烯(PVC-C) |
-20℃~+95℃ |
聚氯乙烯(PVC-U) |
-5℃~+45℃ |
| 增强聚丙烯(FRPP) |
-20℃~+120℃ |
均聚聚丙烯(PPH) |
-20℃~+110℃ |
| 聚偏二氟乙烯(PVDF) |
40℃~+150℃ |
|
|
1.轻便:PVC-U 材料的比重只有铸铁的 1/10,运输,安装简易,降低成本;
2.抗化学性优越:PVC-U 具有优良的抗酸碱性能,除接近饱和点强酸碱外;
3.耐用:抗候性优良,也不能被细菌及菌类所腐化;
4.不导电:PVC-U 材料不能导电,也不受电解,电流的腐蚀,应此无需二次加工。不能燃烧,也不助燃,没有消防顾虑;
5.阻力小,流率高:内壁光滑,流体流动性损耗小,加以污垢不易附着在平滑管壁,保养较为简易,保养费用较低;
6.安装简易,成本低廉:切割及联接都很简易,使用 PVC 胶水联接实践证明安全可靠,操作简便,成本低廉。

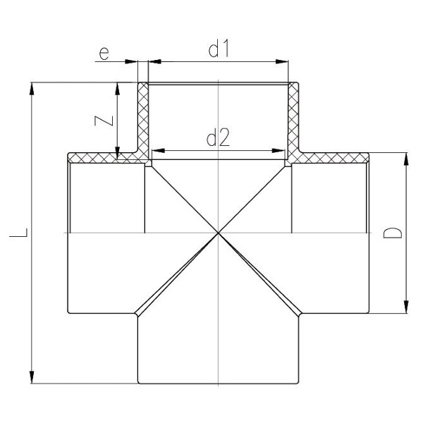
| 公称直径DN |
D |
d1 |
d2 |
L |
Z |
e |
| 25 |
40 |
32 |
26 |
80 |
22 |
4 |
| 32 |
50 |
40 |
33 |
98 |
26 |
5 |
| 40 |
61 |
50 |
47 |
120 |
31 |
5.5 |
| 50 |
75 |
63 |
59 |
148 |
37.5 |
6 |
| 65 |
88 |
75 |
71 |
169 |
44 |
6.5 |
| 80 |
104 |
90 |
86 |
198 |
51 |
7 |
| 100 |
127 |
110 |
105 |
238 |
61 |
8.5 |
| 125 |
161 |
140 |
135 |
298 |
76 |
10.5 |
| 150 |
184 |
160 |
154 |
338 |
86 |
12 |
| 200 |
249 |
225 |
219 |
480 |
118.5 |
12 |