| 材料 |
介质温度℃ |
材料 |
介质温度℃ |
| 氯化聚氯乙烯(PVC-C) |
-20℃~+95℃ |
聚氯乙烯(PVC-U) |
-5℃~+45℃ |
| 增强聚丙烯(FRPP) |
-20℃~+120℃ |
均聚聚丙烯(PPH) |
-20℃~+110℃ |
| 聚偏二氟乙烯(PVDF) |
40℃~+150℃ |
|
|
1.轻便:PVC-U 材料的比重只有铸铁的 1/10,运输,安装简易,降低成本;
2.抗化学性优越:PVC-U 具有优良的抗酸碱性能,除接近饱和点强酸碱外;
3.耐用:抗候性优良,也不能被细菌及菌类所腐化;
4.不导电:PVC-U 材料不能导电,也不受电解,电流的腐蚀,应此无需二次加工。不能燃烧,也不助燃,没有消防顾虑;
5.阻力小,流率高:内壁光滑,流体流动性损耗小,加以污垢不易附着在平滑管壁,保养较为简易,保养费用较低;
6.安装简易,成本低廉:切割及联接都很简易,使用 PVC 胶水联接实践证明安全可靠,操作简便,成本低廉。

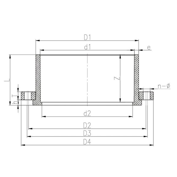
公称直径 DN |
D1 |
D2 |
D3 |
D4 |
d1 |
d2 |
L |
T |
h |
Z |
n-Φ |
| 15 |
27 |
59 |
70 |
95 |
20 |
18 |
22 |
16 |
1.5 |
16 |
4-Φ15X20.5 |
| 20 |
32 |
70 |
75 |
105 |
25 |
23 |
25 |
18 |
1.5 |
19 |
4-15X17.5 |
| 25 |
40 |
79 |
90 |
125 |
32 |
29 |
28 |
18 |
1.5 |
22 |
4-Φ15X20.5 |
| 32 |
50 |
89 |
100 |
140 |
40 |
36 |
31.5 |
20 |
1.5 |
26 |
4-Φ18X24.5 |
| 4 |
61 |
98 |
110 |
150 |
50 |
4 |
37 |
20 |
2 |
31 |
4-Φ18X24 |
| 50 |
75 |
120 |
125 |
165 |
63 |
58 |
44 |
25 |
2 |
38 |
4-Φ18X20.5 |
| 65 |
88 |
140 |
145 |
185 |
75 |
69 |
50 |
25 |
2 |
44 |
4-Φ18X20.5 |
| 80 |
105 |
150 |
160 |
200 |
90 |
84 |
57 |
26 |
2.5 |
51 |
8-Φ18X23 |
| 100 |
127 |
175 |
190.5 |
229 |
110 |
105 |
67 |
26 |
2.5 |
61 |
8-Φ18X26 |
| 125 |
161 |
210 |
250 |
140 |
130 |
84 |
28 |
12.5 |
77 |
8-Φ19 |
| 150 |
182 |
240 |
285 |
160 |
150 |
93 |
31 |
12.5 |
85 |
8-Φ23 |
| 200 |
249 |
295 |
339 |
225 |
215 |
127 |
36 |
16 |
119 |
8-Φ23X25 |
| 200 |
254 |
295.8 |
341 |
225 |
215 |
127 |
33.1 |
16 |
119 |
12-Φ22 |
| 250 |
308 |
350 |
395 |
280 |
267 |
154 |
40.5 |
16.5 |
144 |
12-Φ23 |
| 300 |
346 |
400 |
445 |
315 |
305 |
170 |
43 |
18 |
160 |
12-Φ23 |
| 350 |
395 |
460 |
505 |
355 |
340 |
176 |
43 |
16 |
164.5 |
16-Φ23 |
| 400 |
442 |
515 |
570 |
400 |
382 |
219 |
43 |
22 |
200 |
16-Φ27 |
| 450 |
494 |
565 |
625 |
450 |
430 |
220 |
40 |
27 |
210 |
20-Φ26 |
| 500 |
548 |
620 |
670 |
500 |
475 |
210 |
43 |
25 |
185 |
20-Φ27 |