| 材料 |
介质温度℃ |
材料 |
介质温度℃ |
| 氯化聚氯乙烯(PVC-C) |
-20℃~+95℃ |
聚氯乙烯(PVC-U) |
-5℃~+45℃ |
| 增强聚丙烯(FRPP) |
-20℃~+120℃ |
均聚聚丙烯(PPH) |
-20℃~+110℃ |
| 聚偏二氟乙烯(PVDF) |
40℃~+150℃ |
|
|
1.轻便:PVC-U 材料的比重只有铸铁的 1/10,运输,安装简易,降低成本;
2.抗化学性优越:PVC-U 具有优良的抗酸碱性能,除接近饱和点强酸碱外;
3.耐用:抗候性优良,也不能被细菌及菌类所腐化;
4.不导电:PVC-U 材料不能导电,也不受电解,电流的腐蚀,应此无需二次加工。不能燃烧,也不助燃,没有消防顾虑;
5.阻力小,流率高:内壁光滑,流体流动性损耗小,加以污垢不易附着在平滑管壁,保养较为简易,保养费用较低;
6.安装简易,成本低廉:切割及联接都很简易,使用 PVC 胶水联接实践证明安全可靠,操作简便,成本低廉。

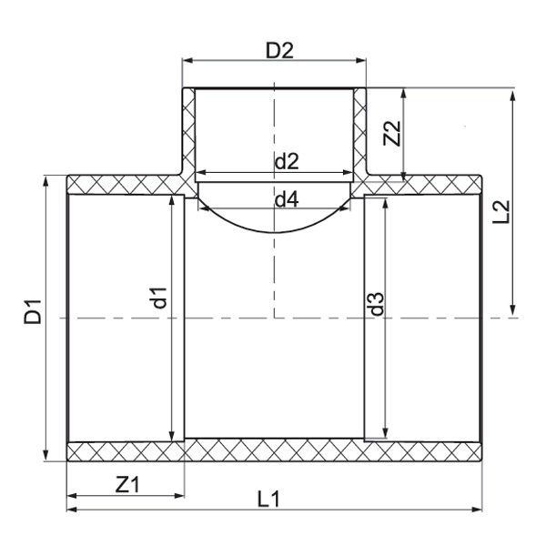
| 规格 |
D1 (mm) |
D2 (mm) |
d1 (mm) |
d2 (mm) |
d3 (mm) |
d4 (mm) |
L1 (mm) |
L2 (mm) |
Z1 (mm) |
Z2 (mm) |
| 3/4″* 1/2″(20*15) |
37 |
31.5 |
26.67 |
21.34 |
23 |
18 |
78 |
38.5 |
25.5 |
22.5 |
| 1″* 1/2″(25*15) |
45 |
31.5 |
33.4 |
21.34 |
29 |
18 |
87 |
42.5 |
29 |
22.5 |
| 1″* 3/4″(25*10) |
45 |
37 |
33.4 |
26.67 |
29 |
23 |
92 |
45.5 |
29 |
25.5 |
| 1¼″* 1/2″(32*15) |
54.5 |
31.5 |
42.16 |
21.34 |
38 |
18 |
93 |
47 |
32 |
22.5 |
| 1¼″* 3/4″(32*20) |
54.5 |
37 |
42.16 |
26.67 |
38 |
23 |
99 |
50 |
32 |
25.5 |
| 1¼″* 1″(32*25) |
54.5 |
45 |
42.16 |
33.4 |
38 |
29 |
104 |
53.5 |
32 |
29 |
| 1½″* 3/4″(40*20) |
61 |
37 |
48.26 |
26.67 |
44 |
23 |
105 |
53.5 |
35 |
25.5 |
| 1½″* 1″(40*25) |
61 |
45 |
48.26 |
33.4 |
44 |
29 |
115 |
57 |
35 |
29 |
| 1½″* 1¼″(40*32) |
61 |
54.5 |
48.26 |
42.16 |
44 |
38 |
120 |
60 |
35 |
32 |
| 2″* 1″(50*25) |
74 |
45 |
60.32 |
33.4 |
55 |
29 |
119 |
63 |
38.5 |
29 |
| 2″* 1¼″(50*32) |
74 |
54.5 |
60.32 |
42.16 |
55 |
38 |
128 |
66 |
38.5 |
32 |
| 2″* 1½″(50*40) |
74 |
61 |
60.32 |
48.26 |
55 |
44 |
134 |
69 |
38.5 |
35 |
| 2½″* 1¼″(65*32) |
90 |
54.5 |
73.02 |
42.16 |
68 |
38 |
143 |
73.5 |
45 |
32 |
| 2½″* 1½″(65*40) |
90 |
61 |
73.02 |
48.26 |
68 |
44 |
149 |
76.5 |
45 |
35 |
| 2½″* 2″(65*50) |
90 |
74 |
73.02 |
60.32 |
68 |
55 |
160 |
80 |
45 |
38.5 |
| 3″* 1½″(80*40) |
107 |
61 |
88.9 |
48.26 |
83 |
44 |
157 |
85 |
48 |
35 |
| 3″* 2″(80*50) |
107 |
74 |
88.9 |
60.32 |
83 |
55 |
168 |
88.5 |
48 |
38.5 |
| 3″* 2½″(80*65) |
107 |
90 |
88.9 |
73.02 |
83 |
68 |
181 |
95 |
48 |
45 |
| 4″* 2″(100*50) |
134 |
74 |
114.3 |
60.32 |
109 |
55 |
188 |
102 |
57.5 |
38.5 |
| 4″* 2½″(100*65) |
134 |
90 |
114.3 |
73.02 |
109 |
68 |
201 |
108.5 |
57.5 |
45 |
| 4″* 3″(100*80) |
134 |
107 |
114.3 |
88.9 |
109 |
83 |
216 |
111.5 |
57.5 |
48 |
| 5″* 2½″(125*65) |
162 |
90 |
141.3 |
73.02 |
134 |
68 |
223 |
122.5 |
67 |
45 |
| 5″* 3″(125*80) |
162 |
107 |
141.3 |
88.9 |
134 |
83 |
238 |
125.5 |
67 |
48 |
| 5″* 4″(125*100) |
162 |
134 |
141.3 |
114.3 |
134 |
109 |
264 |
135 |
67 |
57.5 |
| 6″* 3″(150*80) |
192 |
107 |
168.28 |
88.9 |
160 |
84 |
260 |
140 |
76.5 |
48 |
| 6″* 4″(150*100) |
192 |
134 |
168.28 |
114.3 |
160 |
105 |
286 |
149.5 |
76.5 |
57.5 |
| 6″* 5″(150*125) |
192 |
162 |
168.28 |
141.3 |
160 |
132 |
311 |
159 |
76.5 |
67 |
| 8″* 4″(200*100) |
247 |
134 |
219.08 |
114.3 |
210 |
86 |
340 |
176 |
102 |
57.5 |
| 8″* 5″(200*125) |
247 |
162 |
219.08 |
141.3 |
210 |
105 |
365 |
185.5 |
102 |
67 |
| 8″* 6″(200*150) |
247 |
192 |
219.08 |
168.28 |
210 |
154 |
391 |
195 |
102 |
76.5 |