| 材料 |
介质温度℃ |
材料 |
介质温度℃ |
| 氯化聚氯乙烯(PVC-C) |
-20℃~+95℃ |
聚氯乙烯(PVC-U) |
-5℃~+45℃ |
| 增强聚丙烯(FRPP) |
-20℃~+120℃ |
均聚聚丙烯(PPH) |
-20℃~+110℃ |
| 聚偏二氟乙烯(PVDF) |
40℃~+150℃ |
|
|
1.材料的结晶度高
由单一聚丙烯单体聚合而成,分子链中不含乙烯单体;分子链的整规度高,长久的使用寿命;
2.耐腐蚀性能好
可在一定范围内承受PH值范围在1-14的高浓度酸和碱的腐蚀;
3.耐热保温节能
适用的温度范围从-20℃到110℃;导热系数小,具有较好的保温性能;
4.可靠的连接性能
该产品热熔接口的强度高于管材本体,接缝不会由于土壤移动或载荷作用而断开;
5.良好的施工性能
该产品质轻,焊接工艺简单,施工方便,工程综合造价低,能满足复杂的工艺管道;PPH管道系统广泛应用于电镀、蚀刻、化工、制药、污水处理、环境工程等行业。

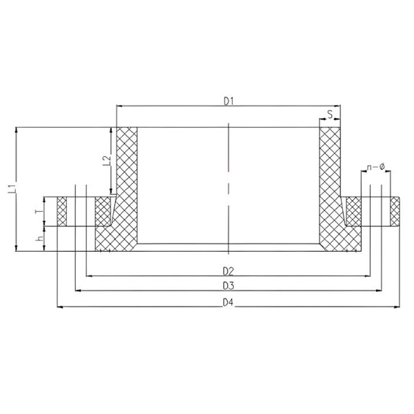
公称直径 DN |
D1 |
D2 |
D3 |
D4 |
S |
L1 |
L2 |
T |
h |
n-Φ |
| 15 |
20 |
65 |
95 |
2.5 |
71.5 |
50 |
14 |
7.5 |
4-Φ14 |
| 20 |
25 |
75 |
105 |
2.7 |
75.5 |
50 |
16 |
9.5 |
4-Φ14 |
| 25 |
32 |
85 |
115 |
3 |
77 |
50.5 |
16 |
10.5 |
4-Φ14 |
| 32 |
40 |
100 |
140 |
3.7 |
80 |
50.5 |
18 |
11.5 |
4-Φ19 |
| 40 |
50 |
110 |
150 |
4.6 |
81 |
50.5 |
18 |
12.5 |
4-Φ19 |
| 50 |
63 |
125 |
165 |
5.8 |
85 |
50.5 |
20 |
14.5 |
4-Φ19 |
| 65 |
75 |
145 |
185 |
6.9 |
87 |
50.5 |
20 |
16.5 |
4-Φ19 |
| 80 |
90 |
160 |
200 |
8.2 |
78 |
40 |
20 |
17 |
8-Φ19 |
| 100 |
110 |
180 |
229 |
10 |
78 |
40 |
22 |
18 |
8-Φ19 |
| 125 |
140 |
210 |
250 |
12.7 |
110 |
60 |
22 |
25 |
8-Φ19 |
| 150 |
160 |
240 |
285 |
14.6 |
107 |
60 |
24 |
25 |
8-Φ23 |
| 200 |
225 |
295 |
340 |
20.5 |
121 |
60 |
24 |
32 |
8-23 |
| 250 |
280 |
350 |
362 |
410 |
25.4 |
126 |
60 |
30 |
35 |
12-Φ22X28 |
| 300 |
315 |
400 |
432 |
483 |
28.6 |
135 |
60 |
36 |
37 |
12-Φ25X41 |
| 350 |
355 |
460 |
470 |
520 |
32.2 |
145 |
60 |
42 |
47 |
16-Φ25X30 |
| 400 |
400 |
515 |
540 |
597 |
36.3 |
160 |
63 |
46 |
52 |
16-Φ29X41.5 |