| 材料 |
介质温度℃ |
材料 |
介质温度℃ |
| 氯化聚氯乙烯(PVC-C) |
-20℃~+95℃ |
聚氯乙烯(PVC-U) |
-5℃~+45℃ |
| 增强聚丙烯(FRPP) |
-20℃~+120℃ |
均聚聚丙烯(PPH) |
-20℃~+110℃ |
| 聚偏二氟乙烯(PVDF) |
40℃~+150℃ |
|
|
1.轻便:PVC-U 材料的比重只有铸铁的 1/10,运输,安装简易,降低成本;
2.抗化学性优越:PVC-U 具有优良的抗酸碱性能,除接近饱和点强酸碱外;
3.耐用:抗候性优良,也不能被细菌及菌类所腐化;
4.不导电:PVC-U 材料不能导电,也不受电解,电流的腐蚀,应此无需二次加工。不能燃烧,也不助燃,没有消防顾虑;
5.阻力小,流率高:内壁光滑,流体流动性损耗小,加以污垢不易附着在平滑管壁,保养较为简易,保养费用较低;
6.安装简易,成本低廉:切割及联接都很简易,使用 PVC 胶水联接实践证明安全可靠,操作简便,成本低廉。

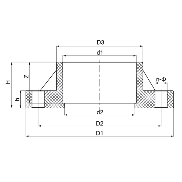
| 规格 |
D1 (mm) |
D2 (mm) |
D3 (mm) |
d1 (mm) |
d2 (mm) |
H (mm) |
h (mm) |
Z (mm) |
n-Ф (mm) |
| 1/2"(15) |
89 |
60 |
31.5 |
21.34 |
18 |
27 |
16 |
22.5 |
4-Ф16 |
| 3/4"(20) |
95 |
70 |
37 |
26.67 |
23 |
30.5 |
18 |
25.5 |
4-Ф16 |
| 1"(25) |
108 |
79 |
45 |
33.4 |
29 |
34.5 |
18 |
29 |
4-Ф16 |
| 1¼"(32) |
117 |
89 |
54.5 |
42.16 |
38 |
37.5 |
18 |
32 |
4-Ф16 |
| 1½"(40) |
127 |
98 |
61 |
48.26 |
44 |
40.5 |
20 |
35 |
4-Ф16 |
| 2"(50) |
152 |
121 |
74 |
60.32 |
55 |
44.5 |
20 |
38.5 |
4-Ф19 |
| 2½"(65) |
178 |
140 |
90 |
73.02 |
68 |
51 |
20 |
45 |
4-Ф19 |
| 3"(80) |
191 |
152 |
107 |
88.9 |
83 |
54.5 |
21 |
48 |
4-Ф19 |
| 4"(100) |
229 |
191 |
134 |
114.3 |
109 |
64 |
24 |
57.5 |
4-Ф19 |
| 5"(125) |
254 |
216 |
163 |
141.3 |
134 |
73.5 |
25 |
67 |
8-Ф22 |
| 6"(150) |
279 |
241 |
192 |
168.28 |
160 |
83.5 |
25 |
76.5 |
8-Ф22 |
| 8"(200) |
343 |
299 |
247 |
219.08 |
210 |
109 |
29 |
102 |
8-Φ22 |