| 材料 |
介质温度℃ |
材料 |
介质温度℃ |
| 氯化聚氯乙烯(PVC-C) |
-20℃~+95℃ |
聚氯乙烯(PVC-U) |
-5℃~+45℃ |
| 增强聚丙烯(FRPP) |
-20℃~+120℃ |
均聚聚丙烯(PPH) |
-20℃~+110℃ |
| 聚偏二氟乙烯(PVDF) |
40℃~+150℃ |
|
|
1.外型结构 紧凑美观
2.本体重量轻容易安装
3.耐磨损、容易拆卸,维护简单易行
4.采用硼硅酸盐玻璃,耐腐蚀性强,应用范围广
适用于大部分恶劣的工作环境,并且使用寿命较长
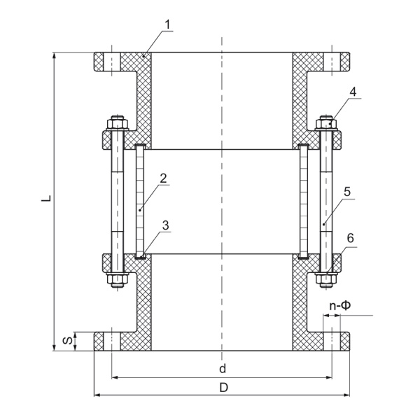
| 序号 |
零件名称 |
材料 |
数量 |
| PVC-C |
PVC-U |
PVDF |
PPH |
FRPP |
| 1 |
底座 |
PVC-C |
PVC-U |
PVDF |
PPH |
FRPP |
2 |
| 2 |
玻璃 |
硼硅 |
硼硅 |
硼硅 |
硼硅 |
硼硅 |
1 |
| 3 |
密封橡胶 |
FPM |
EPDM |
FPM |
EPDM |
EPDM |
2 |
| 4 |
六角螺母 |
304 |
铁 |
304 |
铁 |
铁 |
16-32 |
| 5 |
双头螺栓 |
304 |
铁 |
304 |
铁 |
铁 |
4-8 |
| 6 |
螺丝垫片 |
304 |
铁 |
304 |
铁 |
铁 |
16-32 |

| 规格 |
D(mm) |
d(mm) |
L(mm) |
s(mm) |
n-Φ(mm) |
| 1"(25) |
115 |
79 |
238 |
15 |
4-Φ16 |
| 1½"(40) |
150 |
98 |
230 |
16 |
4-Φ16 |
| 2"(50) |
165 |
121 |
233 |
17 |
4-Φ19 |
| 2½"(65) |
195 |
140 |
277 |
20 |
4-Φ19 |
| 3"(80) |
195 |
152 |
277 |
20 |
8-Φ19 |
| 4"(100) |
220 |
191 |
310 |
21 |
8-Φ19 |
| 5"(125) |
250 |
216 |
350 |
26 |
8-Φ22 |
| 6"(150) |
285 |
241 |
385 |
27 |
8-Φ23 |
| 8"(200) |
340 |
299 |
400 |
25 |
8-Φ23x29 |