| 材料 |
介质温度℃ |
材料 |
介质温度℃ |
| 氯化聚氯乙烯(PVC-C) |
-20℃~+95℃ |
聚氯乙烯(PVC-U) |
-5℃~+45℃ |
| 增强聚丙烯(FRPP) |
-20℃~+120℃ |
均聚聚丙烯(PPH) |
-20℃~+110℃ |
| 聚偏二氟乙烯(PVDF) |
40℃~+150℃ |
|
|
1.材料的结晶度高
由单一聚丙烯单体聚合而成,分子链中不含乙烯单体;分子链的整规度高,长久的使用寿命;
2.耐腐蚀性能好
可在一定范围内承受PH值范围在1-14的高浓度酸和碱的腐蚀;
3.耐热保温节能
适用的温度范围从-20℃到110℃;导热系数小,具有较好的保温性能;
4.可靠的连接性能
该产品热熔接口的强度高于管材本体,接缝不会由于土壤移动或载荷作用而断开;
5.良好的施工性能
该产品质轻,焊接工艺简单,施工方便,工程综合造价低,能满足复杂的工艺管道;PPH管道系统广泛应用于电镀、蚀刻、化工、制药、污水处理、环境工程等行业。

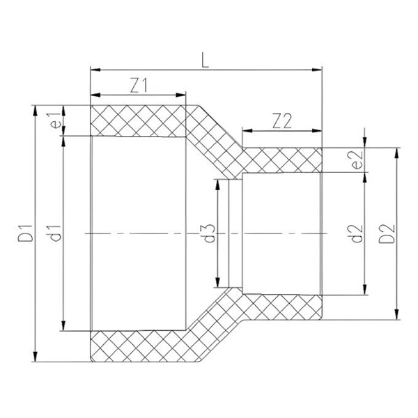
公称直径 DN |
D1 |
D2 |
d1 |
d2 |
d3 |
L |
Z1 |
Z2 |
e1 |
e2 |
| 20*15 |
35 |
29 |
25 |
20 |
16 |
40 |
18 |
15 |
5 |
4.5 |
| 25*15 |
43 |
29 |
32 |
20 |
16 |
46 |
20 |
15 |
5.5 |
4.5 |
| 25*20 |
43 |
35 |
32 |
25 |
20 |
47 |
20 |
18 |
5.5 |
5 |
| 32*20 |
51 |
35 |
40 |
25 |
20 |
53 |
22 |
18 |
5.5 |
5 |
| 32*25 |
51 |
43 |
40 |
32 |
27 |
52 |
22 |
20 |
5.5 |
5.5 |
| 40*20 |
64 |
35 |
50 |
25 |
20 |
60 |
24 |
18 |
7 |
5 |
| 40*25 |
64 |
43 |
50 |
32 |
27 |
58 |
24 |
20 |
7 |
5.5 |
| 40*32 |
64 |
51 |
50 |
40 |
35 |
56 |
24 |
22 |
7 |
5.5 |
| 50*25 |
82 |
44 |
63 |
32 |
27 |
70 |
28.5 |
20.5 |
9.5 |
6 |
| 50*32 |
82 |
52 |
63 |
40 |
36 |
68 |
28.5 |
22.5 |
9.5 |
6 |
| 50*40 |
82 |
65 |
63 |
50 |
46 |
65 |
28.5 |
24.5 |
9.5 |
7.5 |
| 65*32 |
94 |
52 |
75 |
40 |
36 |
76 |
31 |
22 |
9.5 |
6 |
| 65*40 |
94 |
65 |
75 |
50 |
45 |
73 |
31 |
24 |
9.5 |
7.5 |
| 65*50 |
94 |
82 |
75 |
63 |
57 |
71 |
31 |
28 |
9.5 |
9.5 |
| 80*40 |
115.5 |
66 |
90 |
50 |
45 |
85 |
35 |
24 |
13 |
8 |
| 80*50 |
115.5 |
82.5 |
90 |
63 |
56 |
83 |
35 |
28 |
13 |
10 |
| 80*65 |
116 |
95 |
90 |
75 |
68 |
80 |
35 |
31.5 |
13 |
10 |
| 100*40 |
134 |
64.5 |
110 |
50 |
45 |
99 |
41 |
24 |
12 |
7.5 |
| 100*50 |
134 |
81.5 |
110 |
63 |
56.5 |
97 |
41 |
28 |
12 |
9.5 |
| 100*65 |
134 |
93 |
110 |
75 |
67.5 |
95 |
41 |
31 |
12 |
9 |
| 100*80 |
136 |
116 |
110 |
90 |
82 |
93.5 |
41 |
36 |
13 |
13 |