| 材料 |
介质温度℃ |
材料 |
介质温度℃ |
| 氯化聚氯乙烯(PVC-C) |
-20℃~+95℃ |
聚氯乙烯(PVC-U) |
-5℃~+45℃ |
| 增强聚丙烯(FRPP) |
-20℃~+120℃ |
均聚聚丙烯(PPH) |
-20℃~+110℃ |
| 聚偏二氟乙烯(PVDF) |
40℃~+150℃ |
|
|
1.抗化学性优越:使用温度范围广﹣20℃—95℃,介质中重离子含量达超纯水标准;卫生性能符合国家卫生标准要求;
2.具有优良的强度、韧性以及耐化学腐蚀性能;
3.耐用:优异的耐老化和抗紫外线性能,使正常使用寿命比其他管道系统均有很大的延长;
4.低热传导性能:约为钢材的1/200;阻燃性能为自熄性;
5.轻便:重量轻,相当于钢管1/5,铜管的1/6;
6.阻力小,流率高:管壁平洁光滑,输送流体时具有较小的摩擦阻力和附着力;
7.安装简易,成本低廉:可采用粘接、螺纹等方式连接,而简便的是胶水连接。

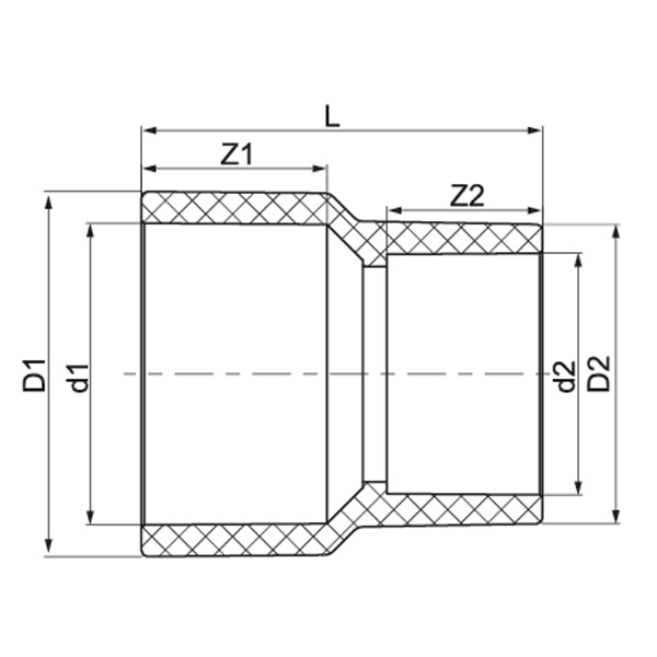
| 规格 |
D1 (mm) |
D2 (mm) |
d1 (mm) |
d2 (mm) |
L (mm) |
Z1 (mm) |
Z2 (mm) |
| 2″*1″(50*25) |
74 |
45 |
60.32 |
33.4 |
87 |
38.5 |
29 |
| 2″*1¼″(50*32) |
74 |
54.5 |
60.32 |
42.16 |
86 |
38.5 |
32 |
| 2″*1½″(50*40) |
74 |
61 |
60.32 |
48.26 |
86 |
38.5 |
35 |
| 2½″*1¼″(65*32) |
90 |
54.5 |
73.02 |
42.16 |
98.5 |
45 |
32 |
| 2½″*1½″(65*40) |
90 |
61 |
73.02 |
48.26 |
98.5 |
45 |
35 |
| 2½″*2″(65*50) |
90 |
74 |
73.02 |
60.32 |
97 |
45 |
38.5 |
| 3″*1½ ″(80*40) |
107 |
61 |
88.9 |
48.26 |
109.5 |
48 |
35 |
| 3″*2″(80*50) |
107 |
74 |
88.9 |
60.32 |
107.5 |
48 |
38.5 |
| 3″*2½ ″(80*65) |
107 |
90 |
88.9 |
73.02 |
109 |
48 |
45 |
| 4″*2″(100*50) |
134 |
74 |
114.3 |
60.32 |
129.5 |
57.5 |
38.5 |
| 4″*2½″(100*65) |
134 |
90 |
114.3 |
73.02 |
131 |
57.5 |
45 |
| 4″*3″(100*80) |
134 |
107 |
114.3 |
88.9 |
127 |
57.5 |
48 |
| 5″*2½″(125*65) |
163 |
90 |
141.3 |
73.02 |
154.5 |
67 |
45 |
| 5″*3″(125*80) |
163 |
107 |
141.3 |
88.9 |
150 |
67 |
48 |
| 5″*4″(125*100) |
163 |
134 |
141.3 |
114.3 |
146.5 |
67 |
57.5 |
| 6″*3″(150*80) |
192 |
107 |
168.28 |
88.9 |
173 |
76.5 |
48 |
| 6″*4″(150*100) |
192 |
134 |
168.28 |
114.3 |
170 |
76.5 |
57.5 |
| 6″*5″(150*125) |
192 |
163 |
168.28 |
141.3 |
167 |
76.5 |
67 |
| 8″*4″(200*100) |
247 |
134 |
219.08 |
114.3 |
221 |
102 |
57.5 |
| 8″*5″(200*125) |
247 |
163 |
219.08 |
141.3 |
218 |
102 |
67 |
| 8″*6″(200*150) |
247 |
192 |
219.08 |
168.28 |
215 |
102 |
76.5 |