1. 规格齐全
2. 性能可
3. 使用范围广
4. 安装简易可靠
5. 可任意位置安装
| 材料 |
介质温度℃ |
材料 |
介质温度℃ |
| 氯化聚氯乙烯(PVC-C) |
-20℃~+95℃ |
聚氯乙烯(PVC-U) |
-5℃~+45℃ |
| 增强聚丙烯(FRPP) |
-20℃~+120℃ |
均聚聚丙烯(PPH) |
-20℃~+110℃ |
| 聚偏二氟乙烯(PVDF) |
40℃~+150℃ |
|
|
| 件号 |
名称 |
材质 |
| 1 |
阀盖 |
FRPP |
| 2 |
O型圈 |
EPDM |
| 3 |
活塞 |
PP+PTEE |
| 4 |
阀体 |
FRPP |

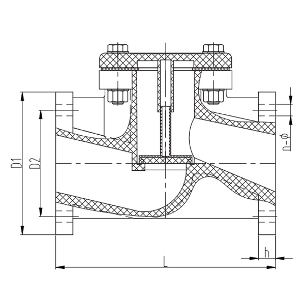
升降式止回阀装配明细图
公称直径 DN(mm) |
D |
d |
L |
b |
n-Φ |
| GB |
JIS |
ANSI |
GB |
JIS |
ANSI |
| 40(11/2") |
150 |
110 |
110 |
98.4 |
200 |
20 |
4-Φ18 |
4-Φ19 |
4-Φ16 |
| 50(2") |
165 |
125 |
125 |
120.7 |
230 |
20 |
4-Φ18 |
4-Φ19 |
4-Φ18 |
| 65(21/2") |
185 |
145 |
145 |
139.7 |
295 |
24 |
4-Φ18 |
4-Φ19 |
4-Φ18 |
| 80(3") |
200 |
160 |
160 |
152.4 |
310 |
25 |
8-Φ18 |
8-Φ19 |
4-Φ18 |